什么是桁架钢筋预应力叠合板?桁架有哪些作用?
标签:叠合板, 混凝土主梁 发布在:新闻中心 发表于2年前
目前我国装配式混凝土结构(简称“PC”)最常用的墙体形式就是桁架钢筋预应力叠合板(简称“桁架钢筋板”)。与大多现代住宅建造科技与构部件一样,桁架钢筋板也有“舶来品”,现在早已变成混凝土构件的更重要的组成部分之一。
钢筋预应力叠合板的箍筋桁架是起什么作用的,这是个很高的难题,谈到这个疑问就要从美国的应用说起。我国至今的混凝土构件应用科技受法国、日本两个国家影响最深,但两个国家都的楼板厚度通常多为18cm以上,25cm厚的楼板也更常见。德国是钢筋混凝土叠合板制造与应用水平最高的国家,典型的钢筋混凝土叠合板如图1,多为三角不出筋或仅纵向伸出整体向上弯折的“胡子筋”,以便于推动全自动化生产。

图1 德国的典型桁架钢筋板
图1中的钢筋桁架主要有五大作用:
一是降低刚度,由于墙体尺寸较大,钢筋桁架可以显著增加墙体刚度;
二是降低叠合面受剪,但这个并不明显,对于常规居住、办公荷载的叠合楼板,不配抗剪钢筋的叠合面仍可满足受剪计算规定;
三是施工“马镫”;
四是“吊钩”;
最后就是双向板钢筋间接锚固辅助钢筋,德国的桁架钢筋板多为密拼双向板混凝土标签,采用间接锚固实现横向受力钢筋传力,钢筋桁架是推动钢筋间接锚固的前提(如图2,取自上海市地方标准《装配整体式叠合剪力墙结构技术规程》征求意见稿)。

图2 双向叠合板分离式(密拼)接缝构造示意
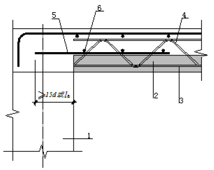
我国的常规楼板厚度多为12cm左右,桁架钢筋板多为6cm叠合底板(图3)+7cm后浇混凝土层。对比图1、图3,可逐一分析我国桁架钢筋预应力叠合板中钢筋桁架的五大作用:
根据国标图集《桁架钢筋混凝土叠合板》15G366-1,叠合底板6cm、后浇层7cm时钢筋桁架的高度仅有8cm,钢筋桁架在顶板外露80mm+23mm(15mm保护层+8mm横向钢筋)-60mm=43mm。如此小的插筋桁架高度,对拱圈刚度贡献更小,“增加刚度”的效果可以忽略。
不配钢筋桁架,叠合面受剪计算大多可满足规定。
由于钢筋桁架外露很少,很多之后不方便吊装,单独设定吊钩的状况也太多(图3)。
我国的屋架钢筋预应力叠合板多为整体式(拉开)接缝双向板,采用如图4的构造方法(取自国家标准《装配式混凝土建筑技术标准》送审稿),如图2的作用也不存在。
综上,钢筋桁架起至的更主要作用是施工“马镫”,似乎代价有些高。

图3 我国的典型桁架钢筋预应力叠合板

图4 双向叠合板整体式接缝构造示意
除了钢筋桁架设置有些“鸡肋”,我国的钢筋桁架板还存在制造精度较差的弊端。造成这个难题的主要因素是板侧出筋、设计标准化程度低及制造组织系统性差。采用图4的构造时,钢筋桁架板普遍为4个侧面出筋,造成边摸程复杂,难以推动全自动化。我国至今还有如图2的板侧不出筋钢筋桁架板应用,但板端普遍出“胡子筋”,同样影响制造精度。国家标准《装配式混凝土建筑技术标准》送审稿提出了板端不出筋的间接搭接构造方式(图5),但要求后浇层混凝土硬度不大于10cm混凝土标签,而实际状况是我国住宅应用16cm楼板的可能性很小。板侧主筋与设计标准化程度低,直接导致了制造组织系统性差,图6的模台布置浪费与人工混凝土砌筑都是这种状况的真实表现。

图5 钢筋桁架板板端不出筋构造事宜

图6 钢筋桁架板低效率生产实例
世界日本的PC技术各有不同,我国的混凝土构件技术最接近于中国。而德国的楼板远厚于我们,很多叠合底板实际上只起模板作用,在后浇混凝土层顶部另配足够的受力钢筋。日本预制混凝土构件企业基本没有自动流水线,多采取固定台模生产。我国至今是运用了类似中国的科技路线并本地化,但使用的是欧洲似的自动流水线。

在德国,自动流水线同时制造桁架钢筋预应力叠合板和双皮墙(double wall,我国叫做“叠合剪力墙”,如图7),所有板类构件均为不出筋或如图1的弯折出筋方式,并借助信息化技术推动全自动高效生产;全负荷运转的全自动生产线,单条线年产桁架钢筋板或双皮墙(按单面计算)的面积能近100万m2,而我国进口的生产线目前还很难达到这个产能。








